Мы используем cookie для наилучшего представления нашего сайта. Подробнее об этом в Политике конфиденциальности.
Ок

Салават

Ваш город:
Салават (Республика Башкортостан)?
Нет
Да
Каталог
Каталог Написать в WhatsApp
Мотоэкипировка

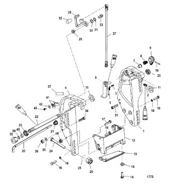
Кронштейн транца 4-Х ТАКТНОГО ПЛМ MERCURY 40 Серийный номер от 0T409000 до 1B226999

Кронштейн транца 4-Х ТАКТНОГО ПЛМ MERCURY 40 Серийный номер от 0T409000 до 1B226999 в Уфе: актуальный каталог, цены, фото, описание. Купите кронштейн транца 4-х тактного плм mercury 40 серийный номер от 0t409000 до 1b226999 в кредит – оформите заявку онлайн за 1 минуту!

Оригинальные запчасти

Артикул НАИМЕНОВАНИЕ Кол-во деталей в узле Примечание Наличие Цена Аналоги Фото
1 822866T04 TRANSOM BRACKET, Port

Под заказ

1

Под заказ

уточнить

Купить
2 98727 GREASE FITTING, PORT TRANSOM BRACKET

Под заказ

1

Под заказ

уточнить

Купить
3 99604 GROOVE PIN

Под заказ

1

Под заказ

уточнить

Купить
4 822865T05 BRACKET, Transom - Starboard

Под заказ

1

Под заказ

уточнить

Купить
5 893704T01 Упор двигателя (LEVER, Tilt Lock)

Под заказ

1

Под заказ

уточнить

Купить
6 99622 SPRING

Под заказ

1

Под заказ

уточнить

Купить
7 65830 BUSHING, TILT LEVER

Под заказ

1

Под заказ

уточнить

Купить
8 812708 SPRING

Под заказ

1

Под заказ

уточнить

Купить
9 812709 KNOB

Под заказ

1

Под заказ

уточнить

Купить
10 99615 GROOVE PIN

Под заказ

1

Под заказ

уточнить

Купить
11 19619 Шайба (WASHER)

Под заказ

2

Под заказ

уточнить

Купить
12 18486F5 ANCHOR BRACKET

Под заказ

1

Под заказ

уточнить

Купить
13 818298Q1 Комплект анодов (ANODE KIT)

Под заказ

1

Под заказ

уточнить

Купить
14 4000330 Болт (SCREW @5)

Под заказ

2

Под заказ

уточнить

Купить
15 29245 Шайба (WASHER @10)

Под заказ

2

Под заказ

уточнить

Купить
16 4000354 Винт (SCREW, BEARING CARRIER)

Под заказ

5

Под заказ

уточнить

Купить
17 4000355 SCREW, TRIM TAB (35MM)

Под заказ

1

Под заказ

уточнить

Купить
18 401388 Гайка (NUT, M8)

Под заказ

2

Под заказ

уточнить

Купить
19 8M0026068 PIN ASY-TILT

Под заказ

1

Под заказ

уточнить

Купить
20 821461 Пружина (SPRING)

Под заказ

1

Под заказ

уточнить

Купить
21 8M0041938 Трубка штока рулевого троса (TILT TUBE)

Под заказ

1

Под заказ

уточнить

Купить
22 858869 Гайка (NUT, (.875-14))

Под заказ

2

Под заказ

уточнить

Купить
23 8M0084737 LINK

Под заказ

1

Под заказ

уточнить

Купить
24 19615A05 TILT LEVER ASSY

Под заказ

1

Под заказ

уточнить

Купить
25 812707 Втулка (BUSHING)

Под заказ

1

Под заказ

уточнить

Купить
26 8M0042643 Шайба (WASHER)

Под заказ

1

Под заказ

уточнить

Купить
27 99611 WAVE WASHER, TILT LEVER

Под заказ

1

Под заказ

уточнить

Купить
28 8M0007469 Крышка рукоятки стопора (KNOB-TILT)

Под заказ

1

Под заказ

уточнить

Купить
29 19611 SCREW

Под заказ

1

Под заказ

уточнить

Купить
30 4009040 SCREW (M10 X 40)

Под заказ

2

Под заказ

уточнить

Купить
31 4002319 Шайба (WASHER@3)

Под заказ

2

Под заказ

уточнить

Купить
32 40140 Гайка М10 (NUT @2)

Под заказ

2

Под заказ

уточнить

Купить
33 830253 DECAL-TILT/LOCK

Под заказ

1

Под заказ

уточнить

Купить
34 19624A1 Набор крепления поворотной штанги (SEAL KIT)

Под заказ

1

Под заказ

уточнить

Купить
35 29619 Масляное кольцо (O-RING, (.583 x .103))

Под заказ

1

Под заказ

уточнить

Купить
36 78861 Шайба (SPACER)

Под заказ

1

Под заказ

уточнить

Купить
37 22740 CLIP

Под заказ

2

Под заказ

уточнить

Купить
38 8M0084613 WASHER

Под заказ

1

Под заказ

уточнить

Купить
39 878609 Болт (SCREW, (#10-16 x .600))

Под заказ

1

Под заказ

уточнить

Купить

Нулевая цена не означает отсутствие товара. Оформите заказ, и менеджер сообщит вам цену и наличие товара, предварительно запросив их у поставщика

Главная Магазины
Корзина0
Профиль