Мы используем cookie для наилучшего представления нашего сайта. Подробнее об этом в Политике конфиденциальности.
Ок

Салават

Ваш город:
Салават (Республика Башкортостан)?
Нет
Да
Каталог
Каталог Написать в WhatsApp
Мотоэкипировка

Комплект удлинителя XL 4-Х ТАКТНОГО ПЛМ MERCURY 50 Серийный номер от 0T409000 до 1B344306

Комплект удлинителя XL 4-Х ТАКТНОГО ПЛМ MERCURY 50 Серийный номер от 0T409000 до 1B344306 в Уфе: актуальный каталог, цены, фото, описание. Купите комплект удлинителя xl 4-х тактного плм mercury 50 серийный номер от 0t409000 до 1b344306 в кредит – оформите заявку онлайн за 1 минуту!

Оригинальные запчасти

Артикул НАИМЕНОВАНИЕ Кол-во деталей в узле Примечание Наличие Цена Аналоги Фото
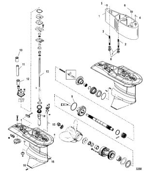
1 12092A18 EXTENSION KIT, Driveshaft - 5 Inch

Под заказ

1

Под заказ

уточнить

Купить
2 12092A3 SPACER KIT

Под заказ

1

Под заказ

уточнить

Купить
3 903502 STUD, DRIVE SHAFT HOUSING (X-LONG)

Под заказ

1

Под заказ

уточнить

Купить
4 8M0084244 Штифт (PIN - DOWEL)

Под заказ

1

Под заказ

уточнить

Купить
5 43044 Штифт (PIN, Dowel - Without Hole (.375 x .625))

Под заказ

1

Под заказ

уточнить

Купить
6 11289 SPACER, SHIFT SHAFT (X-LONG)

Под заказ

1

Под заказ

уточнить

Купить
7 856774 Шайба (WASHER)

Под заказ

5

Под заказ

уточнить

Купить
8 40140 Гайка М10 (NUT @2)

Под заказ

5

Под заказ

уточнить

Купить
9 861844 Уплотнительное кольцо (O RING)

Под заказ

1

Под заказ

уточнить

Купить
10 43023 Сальник (SEAL)

Под заказ

1

Под заказ

уточнить

Купить
11 8M4501430 TUBE-WATER

Под заказ

1

Под заказ

уточнить

Купить
12 430232 Сальник (SEAL)

Под заказ

1

Под заказ

уточнить

Купить
13 875222A1 DRIVESHAFT

Под заказ

1

Под заказ

уточнить

Купить
14 457101 Уплотнительное кольцо (O RING @5)

Под заказ

1

Под заказ

уточнить

Купить
15 853908A1 SHAFT ASSEMBLY, Shift

Под заказ

1

Под заказ

уточнить

Купить
16 191833 Прокладка дренажного болта редуктора F80

Под заказ

3

Под заказ

уточнить

Купить

Нулевая цена не означает отсутствие товара. Оформите заказ, и менеджер сообщит вам цену и наличие товара, предварительно запросив их у поставщика

Главная Магазины
Корзина0
Профиль